S120能否达到PLe(SIL3)的安全等级

JUMU实名认证 发表于 2019-12-24 23:43 | 显示全部楼层 | 复制链接分享      上一主题  翻页  下一主题
对西门子故障安全系统有所了解的朋友都知道,西门子的故障安全系统通常都是可以达到最高的安全等级(机械行业最高安全等级要求为PLe或者SIL3)的。因此,我们很多用户或者工程师在选择驱动产品的安全功能时,经常以为系统也是可以达到PLe或者SIL3安全等级的。但实际上,如果大家仔细阅读我们的驱动产品的安全功能的手册或者样本就会发现,我们S120/G120等驱动设备的安全功能其实是只能达到PLd或者SIL2的(表1)。
表1   驱动产品安全功能列表

        有的用户会问,那我们的系统如果用了S120/G120等驱动产品的安全功能,岂不是永远达不到PLe或者SIL3的安全等级了?那我们的设备在评估认证过程中是否还能满足最终要求呢?
         这里我们需要说明的是,在西门子的变频器产品的家族中,目前所有的安全功能在标准应用时都是达到PLd或者SIL2安全等级的,但STO功能在特殊情况下,是可以达到PLe或者SIL3的安全等级的。
        在此我们给出解决方案的示例供大家参考:
        (1)对于单电机的应用,可以采用系统控制驱动系统供电的方式来实现,见图1。
图1  单电机回路的安全驱动解决方案

        但注意,这种方式会导致断电后直流环节的电容不再充电,下次变频器重启时应注意预充电时间间隔。
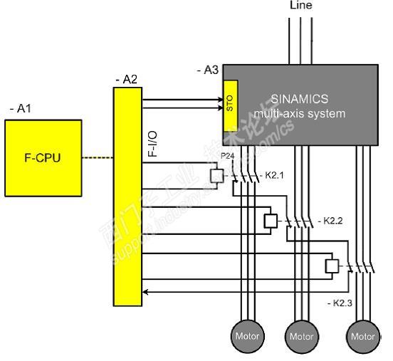
        (2)对于多电机的应用,可以采用系统控制电机供电的方式来实现,见图2。
图2  多电机回路的安全驱动解决方案

        但对于G120或者新的变频设备,其PLe或者SIL3的解决方案略有不同,并且随着版本的更新,其方案也会有所变化,因此,这里我们不再进行罗列,大家可以随时查询相关的信息。
        另外,有的安全功能其实在功能实现的最后阶段,也是进入STO状态,但只有STO的这个过程才有可能达到PLe或者SIL3的安全等级,因此整体安全等级依然达不到PLe或者SIL3。
        因此总体来讲,对于驱动的安全功能来讲,只有STO是在一定条件下可以达到PLe或者SIL3的安全等级,其他安全功能都是达到PLd或者SIL2的安全等级,这一点需要大家注意。

  距米网  

找到您想要的设计

工程师、学生在线交流学习平台
关注我们

手机版- JMCAD苏ICP备18040927号-1 |苏公网安备32041102000587号

©2017-2026 常州居居米智能技术有限公司